Voriger Thread
Nächster Thread
Drucke Thread
Rate Thread
Seite 2 von 2 1 2
LR88 #5098 28/01/2005 08:42
Joined: Dec 2003
Posts: 126
Unverbesserlicher
Offline
Unverbesserlicher
Joined: Dec 2003
Posts: 126
Salü zusammen,

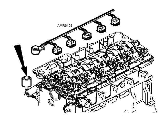
Teile nötig sind die Harness AMR6103 @ ca.€55.00 und VDD ERR7094 @ ca.€25.00. Höchstens 2 Stunden für Installation, durchblasen, reinigen usw. Kosten sind hoch gerechnet ca. €250.00

€1'000.00!!! - schön war es!!

mfg
chris elliott


The Chris's
::::: Werbung ::::: LR
LR88 #5099 28/01/2005 08:51
Joined: May 2002
Posts: 212
Enthusiast
Offline
Enthusiast
Joined: May 2002
Posts: 212
@Silvio
Hi mein Td% Bj.1/2000 hat Nr. YA186... hatte auch Probleme mit Öl im Stecker vom Kabelbaum Einspritzdüsen (AMR6103 ca. 65Euro) zum Kabelstrang Motor (YSB106901 mit Klima ca. 700Euro, YSB106902 ohne Klima ca. 650Euro). Ich habe vor 2 Jahren nur den Motorkabelbaum getauscht und seit damals keine Ölspuren im Stecker festgestellt.
[Linked Image]

Attached Images
192279-Kabelbaum.jpg (0 Bytes, 4 Downloads)

ciao von Klaus aus Villach
http://members.a1.net/esteinwender
Joined: May 2002
Posts: 1,588
Likes: 1
Veteran
Offline
Veteran
Joined: May 2002
Posts: 1,588
Likes: 1
Hallo Chris

bei Dir sind es 80 Euro Materialkosten und 2 Stunden sahst Du, alles in allem 250 Euro.
250 minus 80 Material sind 170 Euro geteilt durch 2 Stunden sind dann 85 Euro pro Stunde.
Mensch Ihr seid ja genauso teuer wie ne Land Rover Werkstatt.
Abgesehen davon tauscht Land Rover nicht nur den Motorkabelbaum, damit kommen selbst die nicht auf 1000 Euro. Die Tauschen denkompletten Kabelbaum zum Steuergerät

Grüße
Frank


KFZ Meisterbetrieb Cznotka
Motoren und
Getriebeinstandsetzung
45279 Essen
LR88 #5101 28/01/2005 19:47
Joined: Jan 2004
Posts: 8
Neu
Offline
Neu
Joined: Jan 2004
Posts: 8
Versuch mal mit 'brake cleaner' vom oben im kabelbaum zu spritzen. Dann lauft das öl unten raus. Wenn mann gluck hat erspart das eine neue Kabelbaum
good luck
Fred

Joined: May 2002
Posts: 79
Das wird noch
Offline
Das wird noch
Joined: May 2002
Posts: 79
Funktioniert, leide aber nur langsam.

Gruß Stromer

LR88 #5103 28/01/2005 21:50
Joined: Dec 2003
Posts: 126
Unverbesserlicher
Offline
Unverbesserlicher
Joined: Dec 2003
Posts: 126
Hello Frank,

keine ahnung was eine vertreter in Deutschland verlangt, aber hier ist weit über die €100.00. es ist sowieso sinnlos über stundensatz von land zu land zu diskutieren oder vergleichen. auch kleinbetrieb mit eine oder zwei angestellte sind logiserweise viel billiger als eine grossere garage.

die motorkabel kostet bei uns ca. €280.00, die dusenkabel und arbeit ca. €250 = immer noch ca. €530.00 und nicht die erwähnte €1000.00


The Chris's
Joined: Feb 2003
Posts: 187
Maennla Offline OP
Viermalvierer
OP Offline
Viermalvierer
Joined: Feb 2003
Posts: 187
AMR6103 Kabelbaum,Einspr.Ven 63,40
YSB106902 Kabelbaum,Motor 598,25
ERR7094 VD Dichtung Diesel TD5 26,14
UKC6684L Band,Kabel 0,18
YYC10294L Band,Kabel 2,29

Preise zzgl. Mwst und Arbeitslohn


Werd scho wie werrn !!
Joined: Nov 2004
Posts: 629
Wurmberger Winscher
Offline
Wurmberger Winscher
Joined: Nov 2004
Posts: 629
kann ich denn jetzt schon was sinnvolles machen? meiner ölt NOCH nicht.

Seite 2 von 2 1 2

Link Copied to Clipboard
Forum Search
Member Spotlight
ollefurunkel
ollefurunkel
48477 Hörstel Dreierwalde
Posts: 420
Joined: June 2005
::: VIERMALVIER.DE::: Werbung ro
Aktivste Themen(Ansichten)
20,244,654 Hertha`s Pinte
7,979,597 Pier 18
3,763,160 Auf`m Keller
3,695,705 Musik-Empfehlungen
2,729,061 Neue Kfz-Steuer
2,682,587 Alte Möhren ...
Wer ist online
1 members (etappe), 225 guests, and 0 robots.
Key: Admin, Global Mod, Mod
::WERBUNG:: Klick to sponsor VMV
Top Likes Received (30 Days)
DaPo 3
BedaB 2
Matti 2
kattho 2
GFN 1
Heutige Geburtstage
martinwo
Neueste Mitglieder
RHH Kawon, lichtmaschine, Jendrzej, David25, Eljott23
10,098 Registrierte Benutzer
Top Schreiber
DaPo 26,633
Ozymandias 16,741
Yankee 16,494
ranx 16,049
RoverLover 15,075
:::: VIERMALVIER.DE:::: WERBUNG
Foren Statistiken
Foren37
Themen44,384
Posts675,459
Mitglieder10,098
Most Online1,525
Sep 24th, 2025
Powered by UBB.threads™ PHP Forum Software 7.7.5