Previous Thread
Next Thread
Print Thread
Rate Thread
Page 1 of 2 1 2
Joined: Jul 2002
Posts: 266
Fast abhängig
Fast abhängig
Joined: Jul 2002
Posts: 266
Hallo Foristi,
nach der halbjährlichen Prüfung meiner Diff-Öle habe ich festgestellt, dass im Differenzial der Hinterachse meines Discos ein 1/2 Liter Öl fehlte, Vorderachse fehlte ein 1/4 Liter. Die Färbung des "Altöles" war okay, keine Emulsion. Also habe ich bis zur Unterkante der Einfüllöffnung nachgefüllt. Jetzt, nach 1 Woche, habe ich festgestllt, dass Öl an der rechten hinteren Radnabe austritt. Es läuft an der Innenseite der "Schutzwand" der Bremsscheibe runter und tropft auf die Felge. Der Land Rover Händler meines Nichtvertrauens meint, dass man die Radnabe am Disco nicht abdichten dann, man muss eine neu Radnabe (natürlich unerschwinglich) einbauen. Wer kennt den Aufbau der Hinterachse am Disco (hab mal gehört, dass sie identisch dem Defender 90 sei)oder hat das schon mal erfolgreich repariert und kann mir Tipps geben. Kann man das gar vernachlässigen? Vor der Befüllung war das Ding sicher staubtrocken.

Viele Grüße
Rainer


Nach über 4 Jahren Landy ist man Abhängiger!!
::::: Werbung ::::: LR
A
Anonymous
Unregistered
Anonymous
Unregistered
A
Habe leider kein Sprengbild der LR-Achse. Beim Patrol ist da ein Wellendichtring (4) für die Hinterachswelle eingebaut. Kann mir vorstellen, daß das bei LR ähnlich funktioniert. Vorher war's ja dicht, und jetze saut es da raus. Da kommt man nach Demontage der Steckachse mit dem Lagergehäuse ran. Austauschen und gutt. Evtl. ist da noch ein O-Ring oder eine Flachdichtung am Achsenflansch, was bei der Gelegenheit mit ersetzt wird (für die Abdichtung des Lagerfettes im Lagergehäuse gegen die Achse).

[Linked Image]

Joined: May 2003
Posts: 4,795
ohne kompromittierenden Titel
ohne kompromittierenden Titel
Joined: May 2003
Posts: 4,795
hola

klar kannst du die nabe abdichten!

die 5 schrauben raus, den deckel mit der halbwelle rausziehen, lager raus, bremsscheibe runter, die vielkantschrauben raus , die nabe runter, flächen saubermachen mit nitro, dirko rot drauf und und wieder zusammensetzen, die welle wieder reinschieben und den deckel festziehen, dicht isses.

dauert 3 std. für den heimwerker...

vernachlässigen würde ich das nicht, denn wo öl rauskommt, kann wasser rein.

du kannst auch versuchen, die stelle von aussen mit dirko-rot abzudichten, das kann klappen, falls kein druck drauf ist.

das dirko aber gut aushärten lassen!! (1 tag)

gruss

josh

und wechsle die werkstatt...

überprüf vorsichtshalber mal die entlüftung oben am achskörper ob die nicht verstopft ist, und dadurch überdruck entsteht der das öl an der schwächsten stelle rausdrückt.


Joined: May 2003
Posts: 4,795
ohne kompromittierenden Titel
ohne kompromittierenden Titel
Joined: May 2003
Posts: 4,795
patrollier

die wellendichtung ist wurscht!

ist sogar besser wenn die undischt ist, dann wird das radlager wenigstens gut geschmiert.

bei ihm komt das öl ja nicht am steckachsenflansch raus sondern an der nabendichtung.

ist ne roverachse...

gruss

josh

Joined: Jul 2002
Posts: 266
Fast abhängig
Fast abhängig
Joined: Jul 2002
Posts: 266
Hallo vishnu,
meinst du, dass es nicht am Radlager selbst liegt, sondern an der Verbindung zwischen Radlager und Radnabenflansch? Die Werkstatt meines Nichtvertrauens meinte, es wäre vermutlich das Radlager selbst und da gäbe es keine Ersatzteile, Dichtringe und der dergleichen, das Lager gibt es nur komplett. So wie sich das jetzt für mich liest, muss das Lager selbst nicht dicht sein, in Richtung Differenzial und soll somit mit dem Diff-Öl geschmiert werden. Vielleicht hab ich ja auch einen dicken Denkfehler. Ich habe schon mal den O-Ring zwischen Steckachsengehäuse und Radlager gewechselt. Da war schrecklich viel Modder drinnen.

Grüße
Rainer


Nach über 4 Jahren Landy ist man Abhängiger!!
A
Anonymous
Unregistered
Anonymous
Unregistered
A
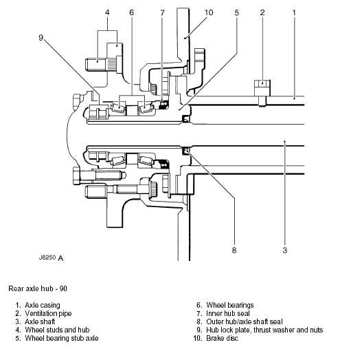
Hier is die Sprengskizze (LR, nixe Patrol):

[Linked Image]

Wellendichtring (8) ist hin und wahrscheinlich (7). Evtl. auch die Achsen/Naben-Dichtfläche (Dirko).

Kann mir nicht vorstellen, daß so eine Leakage in der Menge normal wäre.

Oder? Solange was rausläuft, ist noch was drin?

<img src="http://www.viermalvier.de/forum_php/images/graemlins/trau27.gif" alt="" />

Joined: May 2003
Posts: 4,795
ohne kompromittierenden Titel
ohne kompromittierenden Titel
Joined: May 2003
Posts: 4,795
....ist insofern normal dass sehr viele lr so rumfahren, inkl. mein DON DISCO seit mehr als 100 000 km...

und es nützt eigentlich nur, sofern der deckel an der die steckachse hängt dicht ist...
denn dann läuft auch nix weg, die radlager/buchsen werden mit dem öl gespült.

gibt leute die den simerring sogar rausmachen...naja, und lang bleiben die dinger bei lr eh nicht dicht.

gilt für die HA!


nach der obigen beschreibung läuft das öl an der bremsverkleidung innen runter...

also vermute ich die leckage da, ansonsten müsste es aussen in der radmitte an dem deckel rauskommen...

in beiden fällen würde ich keine dichtung verwenden, sondern dirko-rot, damit ist es dann sicher langfristig dicht!!


gruss

josh

Joined: Jul 2002
Posts: 266
Fast abhängig
Fast abhängig
Joined: Jul 2002
Posts: 266
Hallo Josh,
dann bin ich vorerst beruhigt und gehe die Sache bei freundlicherer Witterung an. So wie ich das sehe, muss ich mir da keinen Stress machen. Die Werkstatt meines Nichtvertrauens hat mich mal wieder in meiner Meinung bestätigt. Ich höre mir aber immer gern die Meinung von denen an. Ist so ne Art des immer wieder bestätigt werdens.

Ich bin bereits bei einer sehr guten, kleinen Werkstatt. Der Meister ist zwar kein LR-Spezialist, geht aber mit sehr viel Allgemeinwissen an die Probleme mit meinem Auto heran und repariert nicht nur die defekten Teile, sondern kann sich auch auf Grund seines hohen Wissens Gedanken über das WARUM machen. Und Leute, das ist verdammt viel wert.

Danke auch Patrolier für deine Mithilfe.

Viele Grüße
Rainer


Nach über 4 Jahren Landy ist man Abhängiger!!
Joined: May 2002
Posts: 12,559
Homo Stupidus
****
Homo Stupidus
****
Joined: May 2002
Posts: 12,559
ergänzung,

ich tippe (ich weiß es :-) )das die dichtfläche an der der ring 7 anliegen sollte schön rostig ist.

also bei der gelegenheit schön säubern und den "Spritzschutz" -diesen popelblechring- gleich demontieren und in die tonne kloppen.

dann weiter mit neuem ring 7 und dichtpaste,wie schon geschrieben.

in den radnabenmitnehmer kann man auch husch-husch noch einen schmiernippel drantüddeln,
hinter LM-felgen siehts keiner
(sonst wird geschrieben > der überlebt im gelände keine 5 min)
und bei passender gelegenheit kann man dem radlagergedöns mal n schluck fett verpassen.

als beispiel mal die dichtfläche einer VA
(ist eh gleich)

was man so dichtfläche nennt :-)

ftp://serverburdak.dyndns.org/FTP-Server/Fotos/Landy%20Vorderachse/DSCF0019.JPG



Solange Gerste draußen wächst ist Bier mein Gemüse.





Joined: May 2002
Posts: 1,384
Veteran
***
Veteran
***
Joined: May 2002
Posts: 1,384
Hi,

Disco Td5 ist aber anders als Defender!

Die Steckachsen sin mit den mitnehmern verschraubt auch ist die Anordnung der Dichtungen und Bleche etwas anders. Habe jetzt leider kein Schnittbild da...

Grüsse

Peter


Loud pipes save lives!
Page 1 of 2 1 2

Link Copied to Clipboard
Forum Search
Member Spotlight
88IIA
88IIA
34302 Guxhagen (D)
Posts: 37
Joined: October 2003
::: VIERMALVIER.DE::: Werbung ro
Popular Topics(Views)
20,354,772 Hertha`s Pinte
8,025,749 Pier 18
3,788,584 Auf`m Keller
3,728,501 Musik-Empfehlungen
2,752,738 Neue Kfz-Steuer
2,710,875 Alte Möhren ...
Who's Online Now
0 members (), 323 guests, and 0 robots.
Key: Admin, Global Mod, Mod
::WERBUNG:: Klick to sponsor VMV
Top Likes Received (30 Days)
DaPo 5
tasso 3
jenzz 1
GW350 1
Today's Birthdays
There are no members with birthdays on this day.
Newest Members
FV111, Herbsti71, daxemuxuxil23, G350TDmax, Henning Johdorf
10,116 Registered Users
Top Posters
DaPo 26,646
Ozymandias 16,756
Yankee 16,494
ranx 16,049
RoverLover 15,075
:::: VIERMALVIER.DE:::: WERBUNG
Forum Statistics
Forums41
Topics44,416
Posts675,762
Members10,116
Most Online6,324
Jan 8th, 2026
Powered by UBB.threads™ PHP Forum Software 8.0.1